长辈版
无障碍
繁体中文
您的位置:
首页
> 北关街道办事处
>
社会保险领域
>
失业保险服务
信息分类:
内容分类:
失业保险服务
发文日期:
2026-03-10 16:13:28
生成日期:
2026-03-10 16:13:28
生效时间:
2025-07-09 10:02:50
废止时间:
发布机构:
北关街道办事处
文 号:
名 称:
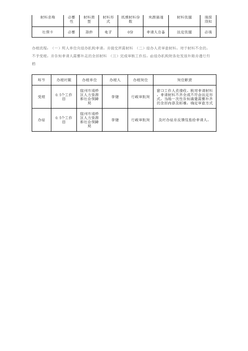
【办事指南】(失业人员)价格临时补贴申领
关
键
词:
【办事指南】(失业人员)价格临时补贴申领
文章来源: 北关街道办事处
浏览量:
发表时间:2026-03-10 16:13
责任编辑: 北关街道办事处
字体大小:
【
大
中
小
】