长辈版
无障碍
繁体中文
您的位置:
首页
> 蒿沟镇人民政府
>
户籍管理领域
>
暂住登记及居住证管理
信息分类:
内容分类:
暂住登记及居住证管理
发文日期:
2022-12-14 21:12:25
生成日期:
2022-12-14 21:12:25
生效时间:
废止时间:
发布机构:
蒿沟镇人民政府
文 号:
名 称:
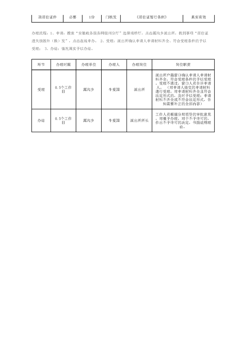
【办事指南】居住证遗失损毁补(换)发
关
键
词:
【办事指南】居住证遗失损毁补(换)发
文章来源: 蒿沟镇人民政府
浏览量:
发表时间:2022-12-14 21:12
责任编辑: 蒿沟镇人民政府
字体大小:
【
大
中
小
】