繁
简
长辈版
无障碍
加入收藏
分享
普查数据
智能问答
政务微博
政务微信
答问知识库
手机版
导航
网站首页
首页
区长之窗
走进埇桥
埇桥概况
自然地理
行政区划
人文历史
矿产资源
地方特产
经济发展
旅游指南
产业招商
魅力埇桥
埇桥地图
政府信息公开
解读回应
在线服务
个人办事
法人办事
部门服务
办件公示
互动交流
在线访谈
书记信箱
区长信箱
答问知识库
征集调查
回应服务制度
网上调查
访谈公告
最新访谈
来访企业信息登记
数据发布
统计公报
月度
季度
年度
解读
文本数据
您当前的位置:
首页
> 区委宣传部
>
部门决算
浏览量:
字体大小:
【
大
中
小
】
打印
索
引
号:
/202408-00002
信息分类:
部门决算
内容分类:
介绍,财政、金融、审计、统计,个人,企业
发布机构:
区委宣传部
成文日期:
2024-08-28
发布时间:
2024-08-28 11:26
文
号:
非正式文件,无文号
有
效
性:
有效
废止时间:
暂无
关
键
词:
名
称:
宿州市埇桥区委宣传部2023年部门决算公开
审
核
人:
初审:刘宇晴     复审:张金艳    终审: 史云
宿州市埇桥区委宣传部2023年部门决算公开
文章来源: 区委宣传部
发表时间:2024-08-28 11:26
责任编辑: 张金艳
浏览量:
字体大小:
【
大
中
小
】
打印
宿州市埇桥区委宣传部2023年部门决算公开
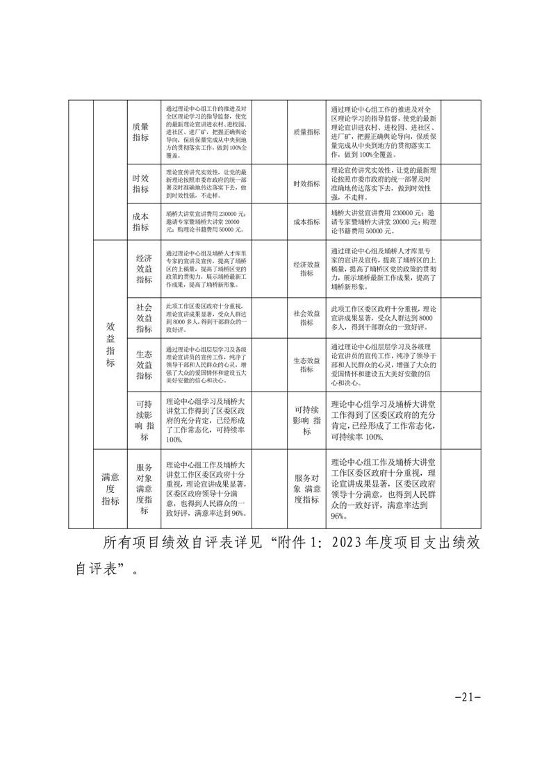
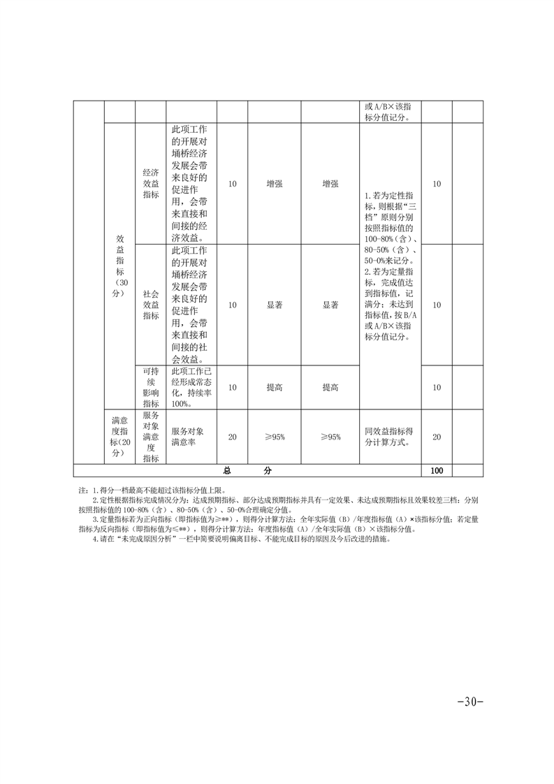
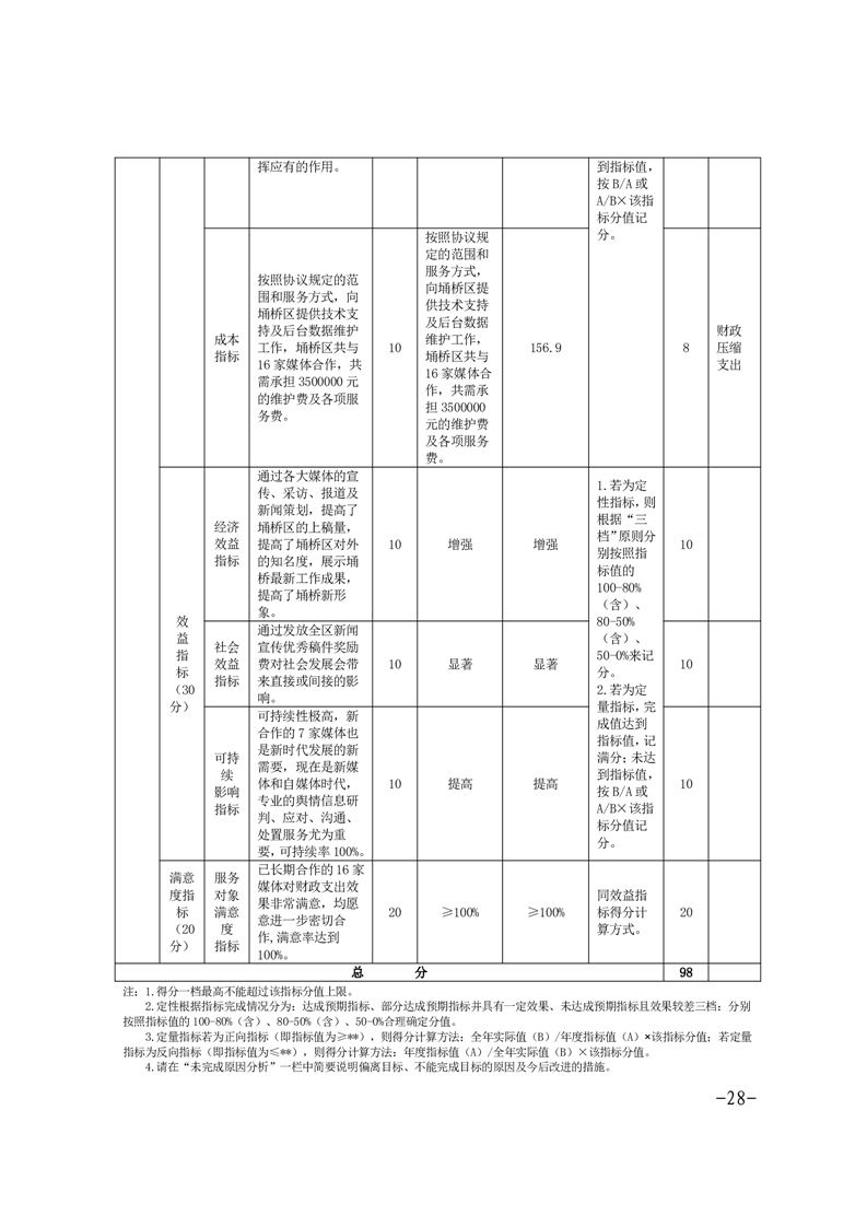
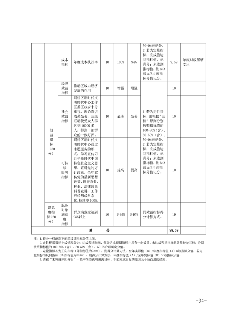
null
扫一扫在手机打开当前页
关闭窗口